Cookie preferences
This website uses cookies, which are necessary for the technical operation of the website and are always set. Other cookies, which increase the comfort when using this website, are used for direct advertising or to facilitate interaction with other websites and social networks, are only set with your consent.
Configuration
Technically required
These cookies are necessary for the basic functions of the shop.
"Allow all cookies" cookie
"Decline all cookies" cookie
CSRF token
Cookie preferences
Currency change
Customer recognition
Customer-specific caching
Individual prices
Selected shop
Session
Comfort functions
These cookies are used to make the shopping experience even more appealing, for example for the recognition of the visitor.
Gross / Net price switch
Wish list
Statistics & Tracking
Affiliate program
Track device being used
Picture not similar. Cutting tools will be delivered wihout insets.
Information on product safety:
Only suitable for technically experienced users who are familiar with the product and for the intended purpose. Improper use can lead to damage and injuries.
✔ We are here for you: +49 6721 / 994167
✔ Mo. bis Fr. 08:00 am - 16:30 pm
✔ Your family business for 31 years
ZENTRA Simple indexing spacer incl. lathe chuck
- Order number: ZE-TA-165
- EAN: 4049794053836
- Shipping weight: 32,000 kg
- Purchase steps: 1
- Minimum order: 1
ZENTRA Simple indexing spacer incl. three-jaw lathe chuck and indexing disks as milling machine... more
Product information "ZENTRA Simple indexing spacer incl. lathe chuck"
ZENTRA Simple indexing spacer incl. three-jaw lathe chuck and indexing disks as milling machine accessories.
- Dividing head can be used horizontally and vertically
- quickly adjustable, easy handling
- incl. lathe chuck and detent plates
- 2, 3, 4, 6, 8, 12, 24-fold adjustable
Scope of delivery: Direct dividing head incl. mounted three-jaw lathe chuck and locking disks.
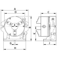
Product features *
| TA-165 | TA-200 | TA-310 | |
| A [mm]: | 260 | 312 | 433 |
| B [mm]: | 218 | 156 | 167 |
| C [mm]: | 156 | 173 | 232 |
| D [mm]: | 167 | 200 | 310 |
| E [mm]: | 44 | 58 | 105 |
| G [mm]: | 16 | 16 | 16 |
| H [mm]: | 187 | 230 | 350 |
| J [mm]: | 115 | 157 | 228 |
| K [mm]: | 123 | 155 | 228 |
| Division: | 2-24 | 2-24 | 2-48 |
| Clamp. range [mm]: | 4-156 | 1-180 | 5-265 |
| Net Weight [kg]: | 30 ⅈ | 52 ⅈ | 163 ⅈ |
* Data according to manufacturer / All rights of technical, optical changing and mistakes reserved!
ⅈ Delivery by special due to oversize or overweight.
Read, write and discuss reviews... more
Customer evaluation for "ZENTRA Simple indexing spacer incl. lathe chuck"
Write an evaluation
Jede Verbraucherbewertung wird vor ihrer Veröffentlichung auf ihre Echtheit überprüft, sodass sichergestellt ist, dass Bewertungen nur von Verbrauchern stammen, die die bewerteten Produkte auch tatsächlich erworben/genutzt haben.
Die Überprüfung geschieht:
• dadurch, dass die Möglichkeit einer Bewertungsabgabe von einer vorherigen Anmeldung in einem registrierten Kundenkonto abhängig gemacht wird, von dem aus ein Kauf getätigt wurde
• durch Übermittlung individualisierter Links an Verbraucher nach Abschluss einer Online-Bestellung, die zu einem Online-Bewertungsformular führen und die sicherstellen, dass der Zugang zur Bewertungsfunktion nur solchen Verbrauchern gewährt wird, die ein Produkt auch tatsächlich erworben haben Die Überprüfung geschieht [Zutreffendes auswählen] • dadurch, dass die Möglichkeit einer Bewertungsabgabe von einer vorherigen Anmeldung in einem registrierten Kundenkonto abhängig gemacht wird, von dem aus ein Kauf getätigt wurde • durch Übermittlung individualisierter Links an Verbraucher nach Abschluss einer Online-Bestellung, die zu einem Online-Bewertungsformular führen und die sicherstellen, dass der Zugang zur Bewertungsfunktion nur solchen Verbrauchern gewährt wird, die ein Produkt auch tatsächlich erworben haben
Die Überprüfung geschieht:
• dadurch, dass die Möglichkeit einer Bewertungsabgabe von einer vorherigen Anmeldung in einem registrierten Kundenkonto abhängig gemacht wird, von dem aus ein Kauf getätigt wurde
• durch Übermittlung individualisierter Links an Verbraucher nach Abschluss einer Online-Bestellung, die zu einem Online-Bewertungsformular führen und die sicherstellen, dass der Zugang zur Bewertungsfunktion nur solchen Verbrauchern gewährt wird, die ein Produkt auch tatsächlich erworben haben Die Überprüfung geschieht [Zutreffendes auswählen] • dadurch, dass die Möglichkeit einer Bewertungsabgabe von einer vorherigen Anmeldung in einem registrierten Kundenkonto abhängig gemacht wird, von dem aus ein Kauf getätigt wurde • durch Übermittlung individualisierter Links an Verbraucher nach Abschluss einer Online-Bestellung, die zu einem Online-Bewertungsformular führen und die sicherstellen, dass der Zugang zur Bewertungsfunktion nur solchen Verbrauchern gewährt wird, die ein Produkt auch tatsächlich erworben haben
3 x in stock
2 x in stock
3 x in stock
Variant available
2 x in stock
2 x in stock
5 x in stock
1 x in stock
6 x in stock
Hint!
4 x in stock
1 x in stock
5 x in stock
Subsequent delivery
Variant available
Variant available
Subsequent delivery
1 x in stock
8 x in stock
18 x in stock
3 x in stock
Variant available
Variant available
2 x in stock
6 x in stock
35 x in stock
Variant available
10 x in stock
Variant available
2 x in stock
3 x in stock
100+ in stock
6 x in stock
Variant available
30 x in stock
9 x in stock
Variant available
2 x in stock
Variant available
5 x in stock
1 x in stock
Variant available
Variant available
2 x in stock
Variant available
