Information on product safety:
Only suitable for technically experienced users who are familiar with the product and for the intended purpose. Improper use can lead to damage and injuries.
✔ We are here for you: +49 6721 / 994167
✔ Mo. bis Fr. 08:00 am - 16:30 pm
✔ Your family business for 31 years
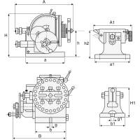
HOMGE Universal dividing head type BS-2 incl. tailstock, flange and dividing discs as milling machine accessories.
The semi-universal dividing head is a simplified form of the universal dividing head and can be used for direct and indirect dividing. No accessories are included for differential dividing as required for milling a spiral; however, the entire construction of the dividing head and tailstock are identical. The machine has a direct indexing plate with 24 holes, which allows direct dividing of 2, 3, 4, 6, 8, 12 and 24 pitches.
Scope of delivery: Universal dividing head incl. tailstock, flange and 3 dividing discs.
Indexing plate A: 15, 16, 17, 18, 19, 20 / B: 21, 23, 27, 29, 31, 33 / C: 37, 39, 41, 43, 47, 49
| A [mm]: | 365 |
| a [mm:] | 213 |
| A1 [mm]: | 177 |
| B [mm]: | 272 |
| b [mm]: | 134 |
| B1 [mm]: | 125 |
| G [mm]: | 16 |
| G1 [mm]: | 16 |
| H[mm]: | 236 |
| h [mm]: | 132.7 |
| H1 [mm]: | 147 |
| H2 [mm]: | 115 - 138 |
| Ratio [I]: | 40:1 |
| Net Weight[kg]: | 73 ⅈ |
* Data according to manufacturer / All rights of technical, optical changing and mistakes reserved!
ⅈ Delivery by special due to oversize or overweight.
Die Überprüfung geschieht:
• dadurch, dass die Möglichkeit einer Bewertungsabgabe von einer vorherigen Anmeldung in einem registrierten Kundenkonto abhängig gemacht wird, von dem aus ein Kauf getätigt wurde
• durch Übermittlung individualisierter Links an Verbraucher nach Abschluss einer Online-Bestellung, die zu einem Online-Bewertungsformular führen und die sicherstellen, dass der Zugang zur Bewertungsfunktion nur solchen Verbrauchern gewährt wird, die ein Produkt auch tatsächlich erworben haben Die Überprüfung geschieht [Zutreffendes auswählen] • dadurch, dass die Möglichkeit einer Bewertungsabgabe von einer vorherigen Anmeldung in einem registrierten Kundenkonto abhängig gemacht wird, von dem aus ein Kauf getätigt wurde • durch Übermittlung individualisierter Links an Verbraucher nach Abschluss einer Online-Bestellung, die zu einem Online-Bewertungsformular führen und die sicherstellen, dass der Zugang zur Bewertungsfunktion nur solchen Verbrauchern gewährt wird, die ein Produkt auch tatsächlich erworben haben
