Cookie-Einstellungen
Diese Website benutzt Cookies, die für den technischen Betrieb der Website erforderlich sind und stets gesetzt werden. Andere Cookies, die den Komfort bei Benutzung dieser Website erhöhen, der Direktwerbung dienen oder die Interaktion mit anderen Websites und sozialen Netzwerken vereinfachen sollen, werden nur mit Ihrer Zustimmung gesetzt.
Konfiguration
Technisch erforderlich
Diese Cookies sind für die Grundfunktionen des Shops notwendig.
"Alle Cookies ablehnen" Cookie
"Alle Cookies annehmen" Cookie
Ausgewählter Shop
CSRF-Token
Cookie-Einstellungen
Individuelle Preise
Kunden-Wiedererkennung
Kundenspezifisches Caching
Session
Währungswechsel
Komfortfunktionen
Diese Cookies werden genutzt um das Einkaufserlebnis noch ansprechender zu gestalten, beispielsweise für die Wiedererkennung des Besuchers.
Brutto-/Netto-Preiswechsel
Merkzettel
Statistik & Tracking
Endgeräteerkennung
Partnerprogramm
Abbildung ähnlich und kann bei Varianten / Größen abweichen. Trägerwerkzeuge werden immer ohne Wendeplatten ausgeliefert.
Informationen zur Produktsicherheit:
Nur für technisch versierte, mit dem Produkt vertraute Anwender und für den vorhergesehenen Verwendungszweck geeignet. Unsachgemäße Verwendung kann zu Schäden und Verletzungen führen.✔ Wir sind für Sie da: +49 6721 / 994167
✔ Mo. bis Fr. 08:00 - 16:30 Uhr
✔ Ihr Familienunternehmen seit 32 Jahren
ZENTRA Dreibackenfutter DIN 55027
- Artikel-Nr.: ZE-8367-123
- EAN: 4049794040171
- Versandgewicht: 5,200 kg
- Staffelung: 1
- Mindestabnahme: 1
Dreibackenfutter mit Kurzkegel-Aufnahme nach DIN 55027 (Stehbolzen) als Drehmaschinenzubehör... mehr
Produktinformationen "ZENTRA Dreibackenfutter DIN 55027"
Dreibackenfutter mit Kurzkegel-Aufnahme nach DIN 55027 (Stehbolzen) als Drehmaschinenzubehör
Diese Drehfutter gewährleisten eine gleichmäßige Spannkraft durch zentrisch spannende Backen sowie eine hohe Rundlaufgenauigkeit.
- ZENTRA Drehfutter aus Stahl
- für Drehmaschinen-Aufnahme mit Bajonettscheibe
- Rundlauf-Genauigkeit gem. DIN Klasse 1 oder besser
Variante 1: Drehfutter-Ø 125 - 400 mm mit einteiligen Drehfutterbacken / Lieferumfang: Drehmaschinenfutter inkl. je 1 Satz gehärteten Dreh- und Bohrbacken, 1 Spannschlüssel und Befestigungsschrauben
Variante 2: Drehfutter-Ø 125 - 400 mm mit geteilten Drehfutterbacken / Lieferumfang: Drehmaschinenfutter inkl. je 1 Satz gehärteten Grund- und Umkehraufsatzbacken, 1 Spannschlüssel und Befestigungsschrauben
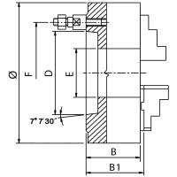
Produkteigenschaften *
| Ø [mm]: | 125 |
| für Kegelgröße: | 3 |
| Werkstoff: | Stahl |
| Anzahl der Drehfutterbacken: | 3 |
| Aufnahme: | DIN 55027 |
| Ausführung: | geteilte Drehbacken |
| B [mm]: | - |
| B1 [mm]: | 64,8 |
| D [mm]: | 54 |
| E [mm]: | 35,5 |
| F [mm]: | 75 |
| Max. Drehzahl [U/min]: | 4.800 |
| Produktgewicht [kg]: | 5 |
* Angaben laut Hersteller / Technische, optische Änderungen und Irrtum vorbehalten!
Bewertungen lesen, schreiben und diskutieren... mehr
Kundenbewertungen für "ZENTRA Dreibackenfutter DIN 55027"
Bewertung schreiben
Jede Verbraucherbewertung wird vor ihrer Veröffentlichung auf ihre Echtheit überprüft, sodass sichergestellt ist, dass Bewertungen nur von Verbrauchern stammen, die die bewerteten Produkte auch tatsächlich erworben/genutzt haben.
Die Überprüfung geschieht:
• dadurch, dass die Möglichkeit einer Bewertungsabgabe von einer vorherigen Anmeldung in einem registrierten Kundenkonto abhängig gemacht wird, von dem aus ein Kauf getätigt wurde
• durch Übermittlung individualisierter Links an Verbraucher nach Abschluss einer Online-Bestellung, die zu einem Online-Bewertungsformular führen und die sicherstellen, dass der Zugang zur Bewertungsfunktion nur solchen Verbrauchern gewährt wird, die ein Produkt auch tatsächlich erworben haben
Die Überprüfung geschieht:
• dadurch, dass die Möglichkeit einer Bewertungsabgabe von einer vorherigen Anmeldung in einem registrierten Kundenkonto abhängig gemacht wird, von dem aus ein Kauf getätigt wurde
• durch Übermittlung individualisierter Links an Verbraucher nach Abschluss einer Online-Bestellung, die zu einem Online-Bewertungsformular führen und die sicherstellen, dass der Zugang zur Bewertungsfunktion nur solchen Verbrauchern gewährt wird, die ein Produkt auch tatsächlich erworben haben
6 x lagernd
14 x lagernd
2 x lagernd
2 x lagernd
14 x lagernd
33 x lagernd
63 x lagernd
52 x lagernd
35 x lagernd
4 x lagernd
2 x lagernd
2 x lagernd
3 x lagernd
3 x lagernd
2 x lagernd
2 x lagernd
32 x lagernd
10 x lagernd
14 x lagernd
37 x lagernd
15 x lagernd
1 x lagernd
4 x lagernd
Variante lieferbar
3 x lagernd
7 x lagernd
TIPP!
1 x lagernd
1 x lagernd
1 x lagernd
3 x lagernd
2 x lagernd
3 x lagernd
2 x lagernd
3 x lagernd
12 x lagernd
TIPP!
Variante lieferbar
3 x lagernd
3 x lagernd
2 x lagernd
2 x lagernd
2 x lagernd
14 x lagernd
22 x lagernd
6 x lagernd
Variante lieferbar
2 x lagernd
6 x lagernd
Variante lieferbar
5 x lagernd
Restposten
2 x lagernd
31 x lagernd
32 x lagernd
20 x lagernd
Doppel-Prismen-Paar DIN 876/1, gehärtet, Typ 544
Inhalt
2 Stück
(41,77 € * / 1 Stück)
Variante ab 83,54 €
*
5 x lagernd
21 x lagernd
10 x lagernd
